Мы угадали ваш город?
Да, верно Нет, другой
0
8-495-147-57-35
8-800-333-85-37
Заказать звонок

Блок управления CHUT-E22-31


Производитель:
Товар «под заказ»
Розничная цена:
56’105
Добавить к сравнению
+ В КОРЗИНУ КУПИТЬ В 1 КЛИК
Доставка по городу
Гарантия производителя
Описание
Документация

Группа компаний НПК «Завод модульного энергооборудования» предлагает купить блок управления приточной-вытяжной вентиляцией CHUT-E22-31 с доставкой по всей России, есть в наличии на складе!


Блок управления приточной-вытяжной вентиляцией CHUT-E22-31

Блок управления CHUT-E22-31 предназначен для управления приточно-вытяжной установкой вентиляции с нагревателем приточного воздуха электрического типа (электрическим воздухонагревателем - калорифером).

В корпусе шкафа управления размещены силовая часть, контроллер управления, защита по току, питание всех датчиков и силовых цепей.

Характеристики блока управления CHUT-E22-31

  • Управление приточной и вытяжной установкой;
  • Подключение электрических воздухонагревателей суммарной мощностью до 22 кВт;
  • Приточный вентилятор однофазный, вытяжной вентилятор однофазный;
  • Регулирование температурных параметров пропорционально-интегральное и каскадное;
  • Плавное регулирование температуры приточного воздуха за счёт ступеней нагрева ТЭН-ов;
  • Задержка отключения приточного вентилятора при работе с электрическим нагревателем;
  • Управление и защита различных вентиляторов;
  • Питание датчиков, сигнальных цепей и сервоприводов;
  • Класс электроизоляции: II;
  • Степень защиты: IP 65;
  • Установка внутри помещений;
  • Допустимая температура воздуха: от 0 до +50 °С.


Вы получите бесплатную консультацию, позвонив нам по телефону:
8-800-333-85-37

Или оставив заявку на звонок

ЗАКАЗАТЬ ЗВОНОК

Обозначения блока управления CHUT-E22-31

Обозначения блока управления CHU

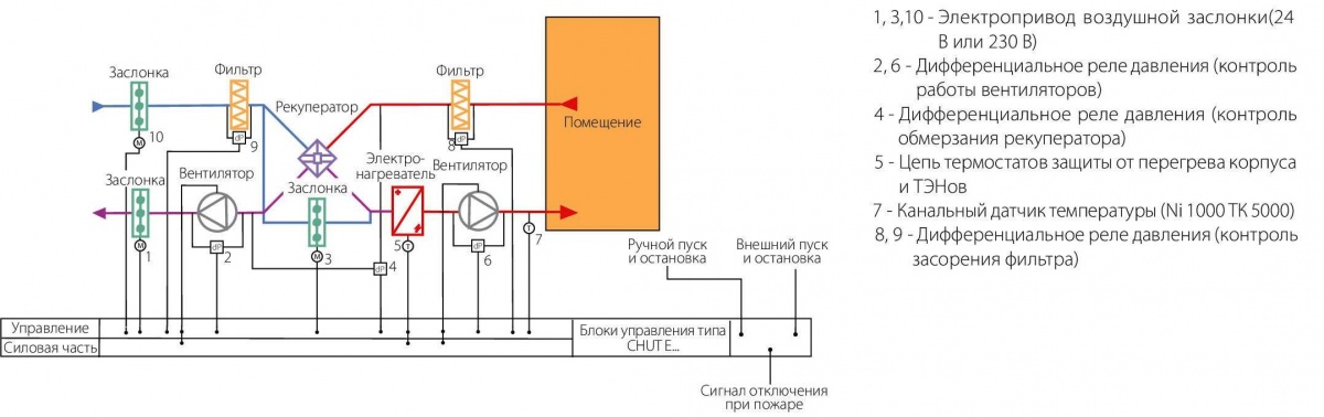
Принципиальная схема блока управления CHUT-E22-31

Схема установки Блок управления CHUT-E22-31 - схема В.

Схема установки блока управления Korf CHU

Изображение - принципиальная схема блока управления Korf CHUИзображение принципиальная схема блока управления CHU - 2 страницаИзображение принципиальная схема блока управления CHU - 3 страница

 

 

Каталог вентиляционного оборудования Korf 2017Скачать документ

Задать вопрос


Выберите ваш город
×
 Южно-Сахалинск
Продолжая использовать наш сайт, вы соглашаетесь с условиями обработки cookie-файлов и пользовательских данных с помощью Яндекс.Метрика, необходимых для аналитики и улучшения качества работы сайта и сервиса. Запретить эти действия можно в настройках браузера